| |
|
 |
 |
 |

150公尺/秒之高速燃燒噴流,在爐內產生攪拌能力,而達到爐內各點溫度均相同之機型。
各類產業之退火爐、急速加熱爐,尤其強調爐內各點溫度皆平均之窯爐最適用。 |
|
|
|
|
 |
|
 |
|
 |
 |

|

60-80公尺/秒之高速燃燒,爐內溫度分佈平均,以無氧還原焰氣氛方式燃燒之獨特設計機型。
應用於還原燒結之窯爐。 |
|
|
|
|
 |
|
 |
|
 |
 |

|

| 軟火焰高輝度,使得爐內壁產生輻射作用,但不傷及熔解金屬,減少氧化物,最適合各類型熔解爐、熱處理爐加熱使用。 |
|
|
|
|
 |
|
 |
|
 |
 |

|

| 火焰於燃燒室貼著燃燒,可近接式加熱,適用近接加熱或擴大面積式加熱皆可。 |
|
|
|
|
 |
|
 |
|
 |
 |

|

| 熔解爐常於投料時將湯液濺遮於燃燒口,此機型可快速檢點並清除,火焰設計亦屬輝焰型。各類鋁銅熔解爐最適合。 |
|
|
|
|
 |
|
  |
|
 |
 |

|

本機型燃燒機於大量過剩空氣時仍能很安全的燃燒,其高速燃燒攪拌功能使爐內溫度分佈平均。
最適合各類型焚化爐及需要大量過剩空氣燃燒之熱處理機。 |
|
|
|
|
 |
|
 |
|
 |
|
 |
|
 |
 |

|

燃燒時形成薄面之圓形狀火焰,最適合近距離加熱。
適用於鍍鋅爐鼎或須平面加熱之熱處理爐使用。 |
|
|
|
|
 |
|
 |
|
 |
 |

|

| 火焰分有長焰及平面焰可以切換任意操作之瓦斯燃燒機。 |
|
|
|
|
 |
|
 |
|
 |
 |

|

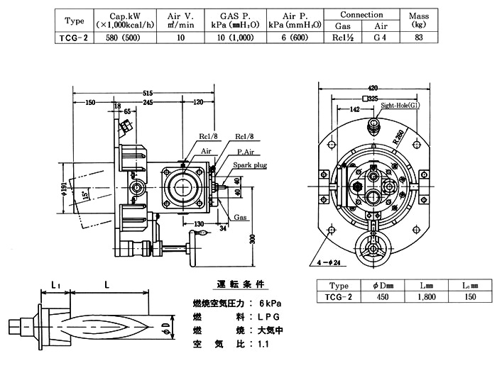
| 高光輝度火焰燃燒機,且可固定後向下修正15度內自由調整角度燃燒。 |
|
|
|
|
 |
|
 |
|
 |
 |

|

空氣比例吸引瓦斯預混方式燃燒,操作簡單,普及化價格之機型。
適用於窯業爐、隧道爐。 |
|
|
|
|
 |
|
 |
|
 |
 |

|

單支混合器可配合複數之本機,以降低設置費用之機種。
適用於大量燃燒頭之窯業爐、隧道爐。 |
|
|
|
|
 |
|
 |
|
 |
 |

|

| 本機不需使用燃燒室,安裝簡單,燃燒管內混合燃燒,150M/秒高速噴流,可在爐內形成攪拌效果,使爐內溫度均一化。 |
|
|
|
|
 |
|
 |
|
 |
 |

|

| 本機安裝時極為簡單,只需供應家庭用桶裝 LPG即可使用,燃燒火焰穩定,大小火焰操作自如,燃燒範圍1:10。 火焰自動偵測,停電或異常即自動關閉瓦斯,提高安全性。 燃燒空氣比正確,無空氣不足或空氣過剩燃燒,燃燒氣氛最佳。 每台配置精密PID溫度控制器,定溫控制可於±5 ℃以內。 |
|
|
|
|
 |
|
 |
|
 |