| |
|
 |
 |
 |

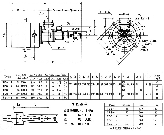
This is a high-speed burner for the combustion with combination of gas and oil.
It can heat by throwing high-temperature heated gas directly onto the workpieces at a high-speed (150m/sec) jet flame. |
|
|
|
|
 |
|
 |
|
 |
 |

|

A middle-speed burner for the conbustion with combination of gas and oil.
The temperature in the furnace can be kept uniform without the mixing fan. |
|
|
|
|
 |
|
 |
|
 |
 |

|

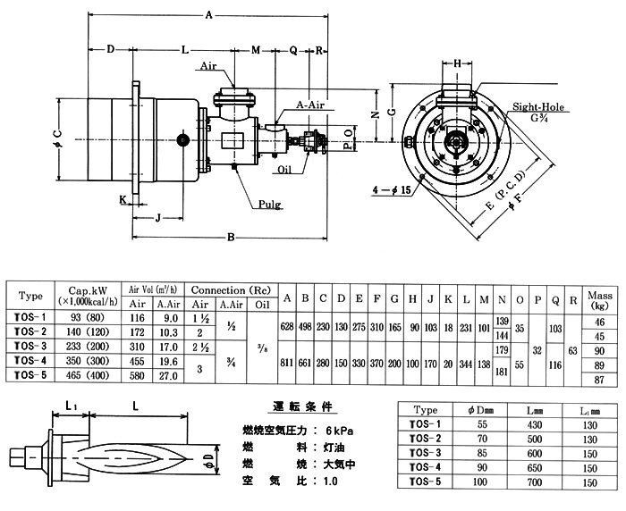
This is a high-speed oil burner which is superior in stirring in the furnace and uniformity of temperature distirbution in the furnace.
By getting 150m/sec jet flow, you can get uniformity of temperature. |
|
|
|
|
 |
|
 |
|
 |
 |

|

| By the simple clamp construction. It is easy to mount and dismount then nozzle cone. |
|
|
|
|
 |
|
 |
|
 |
 |

|

The simple clamp mechanism makes it easy to mount and dismount the burner nozzle.
So it allow easy maintenace of the burner nozzle and the tile. |
|
|
|
|
 |
|
  |
|
 |
 |

|

Vary stable combustion can be obtained even wuth excess air. It allows high turn down ratio.
This is a unique burner which can save money, because it can spray at a low pressure air and it dosn't require high-pressure air. |
|
|
|
|
 |
|
 |
|
 |
 |

|

The proportion of oil and air can be regulated by the operation of a single lever. Stable combustion can be obtained easily.
Therefore, controllling the atmospheric temperature in the furnace is easy. It is the most suited for the automatic combustion control system. |
|
|
|
|
 |
|
 |
Tairo Corporation Co., Ltd.
No. 111, 7 St., Chung Yang Hsin-Tien Taipei, Taiwan
TEL: 02-2218-1475 FAX: 02-2218-1459
E-mail: tairo.jacky@msa.hinet.net |
 |